Volvo S60 II D5 año 2011
     
    El problema:  
   

 

 
   

El cliente acude al taller con un Volvo S60 II D5 con el código de motor D5244T10 del año 2011 con la gestión de motor Bosch EDC 17CP22, con los códigos de avería P2002,P2452, P2454. 

Vea más información técnica del vehículo

 
   

 

 
   
 
   
Conectaremos el equipo de diagnosis CDP Plus de MIAC al vehículo, para realizar una lectura de la memoria de averías.
 
       
    Diagnosis de la avería  
       
   

La conexión OBD se localiza en el lado izquierdo del volante encima de los pedales.

 
 
     
   
 

Al leer las averías, se registran el siguiente código de error:

P2002 Filtro de partículas, eficiencia por debajo del umbral, bancada 1.

P2452 Circuito del sensor de presión diferencial.

P2454 Entrada baja del sensor del sensor de presión diferencial.

     
 
   

 

 
    Síntomas:  
   

Pérdida de potencia del vehículo. Modo degradado de emergencia.

 
       
    Procedimiento de comprobación:  
    El código de avería nos habla de un problema con el sensor de presión diferencial del filtro de partículas. El procedimiento de verificación sería:
En primer lugar se deberá comprobar el valor de medida de diferencia de presión con ayuda del equipo de diagnosis. Para ello leemos los valores en la lista de datos a tiempo real.
 
       
   
 
       
   

El primer dato ya nos arroja un valor incoherente pues tenemos una presión en negativo de -10 mb con el motor parado. La diferencia en este momento debería ser 0 pues al estar parado el motor no debería haber diferencia de presión entre la entrada y salida del FAP. Además un valor en negativo nos daría a entender que existe más presión en la salida que a la entrada.

 
       
   

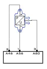
Esta es la instalación del sensor de presión diferencial.

 
       
   

Pin 1 masa (pin 56 de la unidad de motor)
Pin 2 tensión 5v (pin 46 unidad de mando)
Pin 3 señal de referencia. Dicha señal oscila entre 0 y 5 voltios (exactamente entre 0.5 y 4.5 v) dependiendo de la diferencia de presión. Con el motor a ralentí el voltaje suele situarse en 1 voltio subiendo a medida que la opacidad es mayor (aproximadamente 3 voltios con una opacidad teórica de 500 mb).
Tras cambiar el sensor de presión diferencial hay que llevar a cabo la adaptación con el equipo de diagnosis tal como sigue:

 
       
   
 
   

 

 
   
 
       
   
  Indice de notas técnicas

MIAC SL
Carretera del Mig, nº 95
Hospitalet de Ll. 08907
Tel. 932632001
Fax. 932637795

www.miac.es
auto@miac.es